网站首页
新闻动态
企业新闻
行业新闻
技术文档
产品问答
产品中心
微型传感器
单点式传感器
测力传感器
三维力传感器
扭矩传感器
张力传感器
定制传感器
称重模块
仪表与放大器
物联网智能监测
应用案例
飞机及航空航天
自动化
汽车
制造业
医疗及制药
智能机器人
资料下载
软件下载
说明书下载
联系我们
产品中心
Products Center
微型传感器
单点式传感器
测力传感器
三维力传感器
扭矩传感器
张力传感器
定制传感器
称重模块
仪表与放大器
物联网智能监测
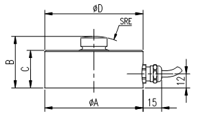
产品名称:AS-W100微型传感器
1.外形小巧,便于安装;
2.不锈钢材料,量程及尺寸都可以定制;
3.主要应用于开关压力检测,热压机械压力检测,压装机械压力检测,汽车,摩托车,自行车装配过盈力检测等场合。
产品说明书正在更新中 ->
详细介绍
&•受力方式:
&•产品尺寸:
&•技术参数:
关于我们
公司简介
企业文化
合作伙伴
产品中心
微型传感器
单点式传感器
测力传感器
三维力传感器
扭矩传感器
张力传感器
定制传感器
称重模块
仪表与放大器
物联网智能监测
新闻动态
企业新闻
行业新闻
技术文档
产品问答
应用案例
飞机及航空航天
自动化
汽车
制造业
医疗及制药
智能机器人
公司:深圳市力信传感仪器有限公司
地址:深圳市龙岗区五联百合盛世1栋1-18C
电话:86 - 0755 - 26638858
传真:86 - 0755 - 86350478
邮箱:asensor@yahoo.cn
版权所有 © 2014-2025 深圳市力信传感仪器有限公司
ICP备案: 粤ICP备13020555号-1
官方微博
官方微信